グラウンドアンカー・ロックボルト関連のセンターホールジャッキを専門に、レンタル・販売を行っています。
センターホールジャッキ
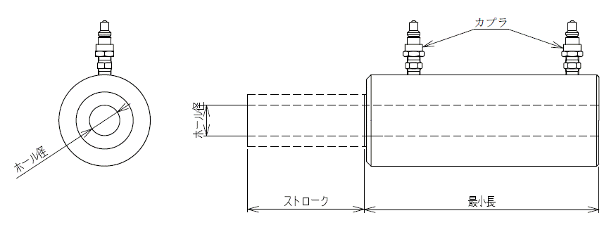
★ホール径(内径)を重視して選定してください
| 最大荷重 | ホール径 mm | ストローク mm | 鋼棒 | PC鋼線 12.7 | PC鋼線 15.2 | 最小長 mm | 油量 L | 重量 Kg | 圧力計 最小目盛 | タイプ | 見る | Download |
|---|---|---|---|---|---|---|---|---|---|---|---|---|
| 39 kN PC鋼線 除去用 | φ 22 | 300 | - | 5- 1 | 6- 1 | 450 | 0.59 | 19 | 2MPa/- | 複動 | View | 図面 |
| 500 | 5- 1 | 6- 1 | 700 | 0.96 | 25 | 複動 | ||||||
| 120 kN | φ 20 | 40 | ~D32注 | 5- 1 | 6- 1 | 142 | 0.07 | 3.5 | 2MPa/2kN | 単動 | View | 図面 |
| φ 20 | 75 | ~D32 | 5- 1 | 6- 1 | 195 | 0.13 | 5 | 単動 | View | 図面 | ||
| 150 kN | φ 40 | 87 | ~D32 | 5- 1 | 6- 1 | 230 | 0.21 | 10 | 2MPa/10kN | 複動 | View | 図面 |
| 200 kN アルミ | φ 40 | 150 | ~D32 | 5- 1 | 6- 1 | 308 | 0.5 | 11 | 複動 | View | 図面 | |
| 200 kN | φ 40 | 200 | ~D32 | 5- 1 | 6- 1 | 341 | 0.61 | 18 | 複動 | View | 図面 | |
| 300 kN | φ 33 | 60 | ~D29 | 5- 1 | 6- 1 | 193 | 0.28 | 13 | 単動 | View | 図面 | |
| φ 42.5 | 100 | ~D36 | 5- 1 | 6- 1 | 266 | 0.47 | 20 | 複動 | View | 図面 | ||
| φ 33 | 200 | ~D29 | 5- 1 | 6- 1 | 360 | 0.96 | 23 | 複動 | View | 図面 |
||
| 400 kN | φ 47 | 100 | ~D38 | ~5- 2 | 6- 1 | 271 | 0.58 | 23 | 2MPa/20kN | 複動 | View | 図面 |
| φ 55 | 100 | ~D41 | ~5- 4 K5-4X | ~6- 2 | 281 | 0.66 | 25 | 複動 | View | 図面 | ||
| φ 55 | 150 | ~D41 | ~5- 4 K5-4X | ~6- 2 | 321 | 0.98 | 28 | 複動 | View | 図面 | ||
| 420 kN アルミ | φ 55 | 50 | ~D41 | ~ 5- 4 K5-4はX | ~ 6- 2 | 184 | 0.425 | 16 | 単動 | View | 図面 | |
| 420 kN アルミ | φ 68 | 150 | ~D51 | ~ 5- 5 | ~ 6- 3 | 315 | 1.25 | 31 | 複動 | View | 図面 | |
| φ 68 | 200 | ~D51 | ~ 5- 5 | ~ 6- 3 | 373 | 1.66 | 24 | 複動 | View | 図面 | ||
| 580 kN アルミ | φ55 | 150 | ~D41 | ~5- 4 K5-4X | ~6- 2 | 380 | 1.33 | 33 | 複動 | View | 図面 | |
| 596 kN アルミ | φ 54 | 150 | ~D41 | ~5- 4 K5-4X | ~6- 2 | 380 | 1.27 | 23 | 単動 | View | 図面 | |
| φ 54 | 200 | ~D41 | ~5- 4 K5-4X | ~6- 2 | 445 | 1.69 | 29 | 単動 | View | 図面 | ||
| 600 kN | φ 55 | 150 | ~D41 | ~5- 4 K5-4X | ~6- 2 | 331 | 1.42 | 37 | 複動 | View | 図面 | |
| φ 55 | 200 | ~D41 | ~5- 4 K5-4X | ~6- 2 | 381 | 1.9 | 42 | 複動 | View | 図面 | ||
| 700 kN | φ75 | 100 | ~D51 | ~5- 7 | ~6- 4 K6-4X | 281 | 1.1 | 39 | 複動 | View | 図面 | |
| φ75 | 150 | ~D51 | ~5- 7 | ~6- 4 K6-4X | 331 | 1.6 | 44 | 複動 | View | 図面 | ||
| φ75 | 200 | ~D51 | ~5- 7 | ~6- 4 K6-4X | 381 | 2.1 | 49 | 複動 | View | 図面 | ||
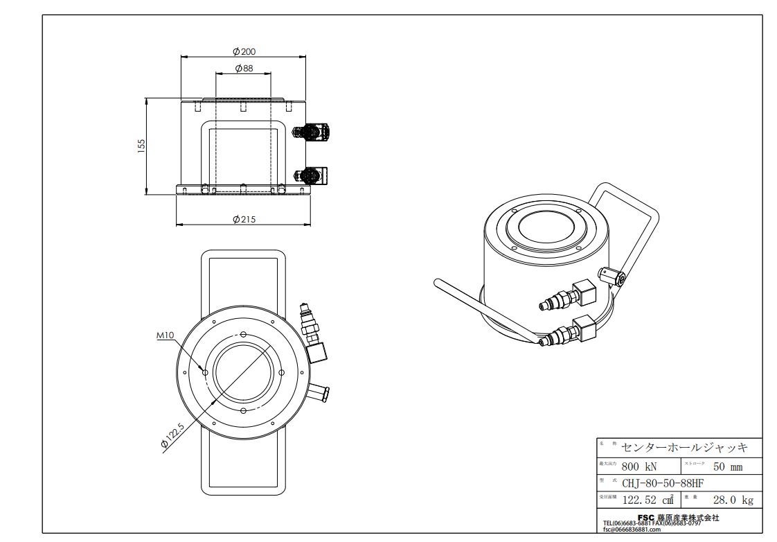
| 800 kN | φ 88 | 50 | ~D51 | ~5- 7 ~K5-8 | ~K6- 7 | 155 | 0.61 | 28 | 複動 | View | 図面 | |
| 1000 kN | φ105 | 50 | ~D51 | ~5-12 | ~6-7 ~K6-8 | 155 | 0.75 | 36 | 2MPa/50kN | 複動 | View | 図面 |
| φ105 | 200 | ~D51 | ~5-12 | ~6-7 ~K6-8 | 386 | 3.1 | 83 | 複動 | View | 図面 | ||
| φ105 | 300 | ~D51 | ~5-12 | ~6-7 ~K6-8 | 471 | 4.6 | 95 | 複動 | View | 図面 | ||
| 1157 kN アルミ | φ79 | 150 | ~D51 | ~5-7 | ~6- 4 | 400 | 2.47 | 46 | 単動 | View | 図面 | |
| φ79 | 200 | ~D51 | ~5-7 | ~K6- 5 | 460 | 3.29 | 52 | 単動 | View | 図面 | ||
| 1300 kN | φ130 | 60 | ~D51 | ~5-12 | ~6-12 | 175 | 1.2 | 55 | 複動 | View | 図面 | |
| φ105 | 400 | ~D51 | ~5-12 | ~6-7 ~K6-8 | 613 | 7.9 | 160 | 複動 | View | 図面 | ||
| 1700 kN | φ105 | 250 | ~D51 | ~5-12 | ~6-7 ~K6-8 | 463 | 6.62 | 140 | 複動 | View | 図面 | |
| 1800 kN | φ125 | 400 | ~D51 | ~5-12 | ~6-12 | 613 | 11.8 | 250 | 複動 | View | 図面 | |
| 2000 kN | φ130 | 300 | ~D51 | ~5-12 | ~6-12 | 513 | 8.7 | 180 | 複動 | View | 図面 |
注:FSカプラバー使用時
レンタルジャッキ取扱説明書
ボルト確認試験機セット 120kN-40L/75L
一般的な小型軽量ジャッキです
- センターホールが小さいため、FSカプラバーを使用することで
あらゆる異径鉄筋工の試験が可能です
| 仕様 | ||||
|---|---|---|---|---|
| 品番 | 荷重 | ストローク | 重量(Kg) | 付属品 |
| BTH1240 | 120kN | 40L | 3.5 | ジャッキ本体 圧力計(アナログ Φ100) 手動ポンプ(TWA-0.3) 油圧ホース 5m(φ6-3/8) ラムチェア 250L 球面プレート・プレート 作動油250ml |
| BTH1275 | 120kN | 75L | 5 | |
電動ジャッキ 120kN-40L (バッテリー式ポンプ内臓)
- ジャッキとバッテリーポンプを合体させた事で、ホース・手動ポンプが不要なのでセットが簡単です
- 縦・横 全方向使用可能です
- 電動なので、手動ポンプに比べて簡単に試験が出来ます
- 1回の充電(30分)で、約20回試験が可能!予備のバッテリーも付属しています)
| 仕様 | |||
|---|---|---|---|
| 荷重 | ストローク | 重量(Kg) | 付属品 |
| 120kN | 40L | 12.7 (バッテリー含まず) | ジャッキ本体 圧力計(アナログ Φ100) バッテリーポンプ ラムチェア 250L 球面プレート・プレート |
油圧ジャッキ関連 Q&A
A:ジャッキ自体は動作しますが、圧力計を取り付けない場合は現在の圧力を確認できないため、お勧めしません。
ただし、kNやMPaの数値が不要な用途(杭やケーシングの引き抜き、物体の持ち上げや移動など)には使用可能です。
A:油圧ジャッキおよびポンプの特性上、基本的に圧力は保持できません。メーカー保証では、1分間での圧力低下は3.5MPa以内と規定されています。これを超えて圧力が低下する場合は、メーカーでの修理が必要となります。
A:ポンプのレバーを加圧側(赤色)から戻り側(青色)に切り替えると、自動でラムが下降します(速度は遅めです)。
下降しない、または途中で止まってしまう場合は、ラム部を手で押し込んでください。
それでも下降しない場合は、ラムが変形している可能性があり、修理が必要となります。
A:原因は恐らくホースに内圧が掛かっているのが原因です。(気温の変化によって起こりうる現象です)
お手数ですが、ホースとカプラをモンキー等で緩めホースの圧を抜いてサイド締め直してください。
油圧ポンプ(ユニット)
★有効油量がジャッキの油量よりも大きいポンプを選定してください
ポータブルバッテリーポンプ(単動&2way特殊複動式)
コンパクトで法面に最適!どんな角度でも作業可能!エア抜きの必要なし!
一回の充電で試験が20回可能!(写真例:ジャッキ120kN-40L使用時)
2way(特殊複動ポンプ)
複動ポンプの中では、最も軽量
| タイプ | 型式 | 有効油量(L) | 吐出量(L/min) | 重量(kg) | 対応ジャッキ | |
| 高 圧 | 低 圧 | |||||
| 2way(特殊複動) | PBTF-1.0 | 1.0 | 0.06 | 0.7 | 8.0 | 有効0.96LまでOK |
※キャンペーンは終了いたしました。
単動タイプ
| タイプ | 型式 | 有効油量(L) | 吐出量(L/min) | 重量(kg) | 対応ジャッキ | |
| 高 圧 | 低 圧 | |||||
| 単動タイプ | PBP-0.6 | 0.6 | 0.06 | 0.7 | 5.0 | 有効0.96LまでOK |
手動ポンプ ( 圧力計は脱着式です )
単動ポンプ
TWA-0.3 TWA-0.7
複動アルミポンプ
HP-8D
複動ポンプ
P-4D
| 手動 | 型式 | 有効油量(L) | 吐出量 ㎤/ストローク | 重量(kg) | 対応ジャッキ | |
| 高圧 | 低圧 | |||||
| 単動式 | TWA-0.3 | 0.3 | 1.0 | 5.0 | 3.5 | 120kN |
| TWA-0.7 | 0.7 | 2.0 | 11.0 | 6.6 | ~300kN | |
| 複動式 | HP-8D | 0.8 | 2.3 | 11.0 | 7.6 | ~400kN |
| P-4D | 1.3 | 2.3 | 13.0 | 14 | ~400kN | |
| P-9D | 1.8 | 3.1 | 31.0 | 16 | ~600kN | |
| HP-6 | 2.3 | 2.6 | 25.0 | 19 | ~700kN | |
電動油圧ポンプ(バッテリー/100v/200v)
バッテリーポンプ
100Vポンプ
FSMP-32.34
200Vポンプ
FSAH-75(ケース付)
200Vポンプ
FSAH-75(ケース無)
| 電動 | 対応発電機 | 型式 | 有効油量(L) | 吐出量 L/min | 重量(kg) | 対応ジャッキ | |
| 高圧 | 低圧 | ||||||
| バッテリーポンプ | - | PBT14.4 | 0.6 | 0.06 | 0.7 | 4.9 | 120kN-40/75st 300kN-60st |
| 100V ケーブル長さ:2m | 0.9kVA以上 | FSMP-32 | 1.8 | 0.2 | 2.0 | 15 | ~800kN |
| FSMP-34 | 4.0 | 0.2 | 2.0 | 18 | ~1000kN | ||
| FSMP-36 | 6.0 | 0.2 | 2.0 | 21 | ~1700kN | ||
| 200V ケーブル長さ:2m | 2.5kVA以上 | FSAH-75 | 8.0 | 0.6 | 4.0 | 55 | ALL |
| 5.0kVA以上 | EPU-340 | 10.0 | 1.2 | 4.7 | 70 | KJS工法用 | |
| 45kVA以上 | FSP-11K | 60.0 | - | 21.0 | 600 | ハイスピードジャッキ用 | |
■ポンプのオイルを緊急に補充したい場合は、最寄りのホームセンターで購入できます。
品名『作動油ISO32』価格は、1L約800円です。
FSCレンタル油圧ポンプ操作方法 100v(FSMP-32/33/34)200v(FSAH-75)
●緊張圧の上げ方
① 操作レバーを左側にします
② 電源スイッチのONでストロークが上昇します
③ 圧力が掛かりだしたらをインチング操作に微調整が可能ですよりストロークが伸び上昇します
(インチング操作とは、押しボタンスイッチを断続的に開閉して、緊張圧を少しづつ寸動させる運転操作をいう。)
●緊張圧の下げ方:電源はOFFのままです。(例:50MPaから、40MPaまでゆっくり下げたいとき)
①操作レバー(B左側から)を少しずつゆっくり右側に動かすとゆっくり圧が抜けていきます
②目標の圧力まできたら、操作レバーをA左側に戻します
●ジャッキストロークの戻し方
①操作レバーをC右側(戻り)に操作します
②電源スイッチのONでストロークが戻ります、下がり切ったらすぐにOFFにしてください
質問 Q&A
200Vポンプ Q&A
Q. 試験中に急に電源が入らなくなってしまった。
a1:ポンプへの過負荷が原因で温度が上昇し、サーマルリレーが作動しています。
モーターの温度が急上昇しているので危険な状態なので、熱が冷めるまで使用しないでください。
また、夏は外気温が高い為、温度が上がりやすくなっています。
a2:発電機から一緒に電源を使用している機器が漏電もしくは過負荷等起こしている場合があります。
本ポンプ以外の機器も一緒に使用している場合はその他の機器にも不具合が無いか調査お願いします。
(発電機の容量以上の機器を使用している可能性もあります。)
a3:サーマルリレーの故障、劣化等が原因で誤作動したと思われます。
出荷前に動作点検は行っておりますが、消耗品の為使用中にサーマルリレーが破損してしまう事が
あります。大変申し訳ございませんが、交換対応となりますので、弊社まで御連絡お願い致します。
※サーマルリレーが作動して約3分経過すると自動復旧して再度運転が可能となります。
何度もポンプが止まる場合、ポンプのモーターが焼損する可能性がありますので直ちに運転を
停止し、原因を解明してから使用お願い致します。
Q. モーターがうなる
A:電極のアース線以外の3本の内、1本が正常に接続されていない可能性があります。
キャプタイヤの接続が確実に繋がっているか、途中で断線していないか確認をお願いします。
Q. 圧が上がらない(途中までしか上がらない)
A:モーターの回転方向を確認してください。
上から見て時計回りが正回転、逆に回転している場合は200vコネクターを抜いて、逆に挿してください。
Q. シリンダーが途中までしか上がらない
A:オイルの量が少ない オイル量を確認してください。オイルが足りない場合、弊社にてご連絡頂くか、
お急ぎの場合はホームセンター等で購入お願いします。
オイルの種類は、作動油ISO32・VG32になります。
Q. ジャッキの安全弁からオイルが漏れる
a1:ジャッキの戻り側に圧が30MPaぐらい掛かるとジャッキ破損防止の
安全のために漏れる構造になっています
a2:ホースが確実に接続されていない事が多いです。
ホースが繋がっていないと、オイルが循環出来ず安全弁より漏れます。
一度全部のホースの接続カプラを取り外し、再度確実に繋ぎ直しをお願いします。
a3:ストロークを戻し切った場合でも、安全弁から油が漏れます。
ストロークが戻りきった場合、ジャッキ戻り側に圧が掛かり、安全弁よりオイルが漏れますので
直ちにポンプの停止をお願いします。
■コードリールもあります (100v/200v)
油圧ポンプ関連 Q&A
A:ポンプが水平に設置されているかご確認ください。
傾いている場合、エアーの逃げ道がなくなり、煙突部(空気弁)から油が漏れることがあります。
A:タイプによっては、モーターが逆回転している可能性があります。
コンベア式コネクターをご使用の場合は、ポンプを停止後、200Vコネクターを抜き、向きを反転させて差し込み、再度起動してください。
それでも改善しない場合は、お手数ですが弊社までお問い合わせください。
A:弊社取扱いのオイルは
手動ポンプ(120kN用)>作動油10番(VG10・ISO10)
その他のポンプ>作動油32番(VG32・ISO32)
オイルを御使用ください。
(レンタル120kNジャッキには付属で補充用オイルが入っています)
パイプラムチェア (窓付き)
在庫状況の見方 〇・・・在庫あり △・・・在庫1~2個 (※在庫品につきましては、お手数ですが都度確認をお願いいたします)
| 耐荷重[kN] | パイプ [φ] | パイプ 内径 [φ] | フランジ 内径 [φ] | 全長[㎜] | 有効長[㎜] | 重量[㎏] | 品番 | 備考 | 在庫 | 見る | 保存 |
|---|---|---|---|---|---|---|---|---|---|---|---|
| 120 | 102 | 86 | 40 | 250 | 241 | 3 | RM102086-250 | 120KN標準品 | 〇 | View | 図面 |
| 120 | 102 | 86 | 40 | 300 | 291 | 4 | RM102086-300 | 〇 | View | 図面 | |
| 120 | 102 | 86 | 40 | 400 | 391 | 5 | RM102086-400 | 〇 | View | 図面 | |
| 120 | 102 | 86 | 40 | 510 | 500 | 5 | RM102086-510 | △ | View | 図面 | |
| 120 | 105 | 91 | 85 | 118/214 | 109/205 | 3/4 | 継ぎ足しラムチェア | オプション | 〇 | View | 図面 |
| 150 | 120 | 100 | 50 | 300 | 288 | 5 | RM120100-300 | 150kN標準品 | 〇 | View | 図面 |
| 150 | 120 | 100 | 50 | 400 | 388 | 7 | RM120100-400 | △ | View | 図面 | |
| 200 | 130 | 105 | 45 | 340 | 328 | 8 | RM130105-340 | 〇 | View | 図面 | |
| 200 | 146 | 130 | 40 | 300 | 288 | 7 | RM146130-300 | 146 | 〇 | View | 図面 |
| 300 | 127 | 103 | 65 | 310 | 298 | 7 | RM127103-310 | 300kN-60L標準品 | 〇 | View | 図面 |
| 300 | 127 | 103 | 43 | 382 | 370 | 9 | RM127103-382 | 200kN標準品 | 〇 | View | 図面 |
| 300 | 127 | 103 | 35 | 450 | 438 | 11 | RM127103-450 | 〇 | View | 図面 | |
| 300 | 146 | 126 | 40 | 450 | 438 | 11 | RM146126-450 | 〇 | View | 図面 | |
| 300 | 165 | 141 | 60 | 512 | 500 | 17 | RM165141-512 | △ | View | 図面 | |
| 300 | 130 | 105 | 40 | 180 | 168 | 5 | RM130105-180 | △ | View | 図面 | |
| 400 | 110 | 80 | 30 | 615 | 599 | 19 | RM110080-615 | △ | View | 図面 | |
| 400 | 140 | 108 | 55 | 400 | 381 | 13 | RM140108-400 | △ | View | 図面 | |
| 400 | 178 | 158 | 400 | 400 | 10 | RM178158-400 | △ | View | 図面 | ||
| 400 | 178 | 158 | 500 | 500 | 13 | RM178158-500 | △ | View | 図面 | ||
| 600 | 178 | 154 | 75 | 425 | 400 | 20 | RM178154-425 | △ | View | 図面 | |
| 600 | 216 | 196 | 56 | 815 | 800 | 37 | RM216196-815 | 分離式 ジョー パイプ29kg フランジ8㎏ | △ | View | 図面 |
| 700 | 159 | 129 | 55 | 200 | 172 | 11 | RM159129-200 | 〇 | View | 図面 | |
| 700 | 159 | 129 | 75 | 402 | 380 | 15 | RM159129-402 | 47 | 〇 | View | 図面 |
| 700 | 159 | 129 | 75 | 442 | 420 | 16 | RM159129-442 | 47L | 〇 | View | 図面 |
| 700 | 185 | 155 | 75 | 425 | 400 | 19 | RM185155-425 | 70 | 〇 | View | 図面 |
| 700 | 185 | 155 | 75 | 625 | 600 | 30 | RM185155-625 | 〇 | View | 図面 | |
| 700 | 185 | 155 | 75 | 525 | 500 | 27 | RM185155-525 | 70L | △ | View | 図面 |
| 700 | 185 | 145 | 75 | 220 | 198 | 15 | RM185145-220 | △ | View | 図面 | |
| 700 | 185 | 155 | 75 | 305 | 280 | 14 | RM185155-305 | 〇 | View | 図面 | |
| 700 | 191 | 155 | 74 | 270 | 245 | 18 | RM191155-270 | △ | View | 図面 | |
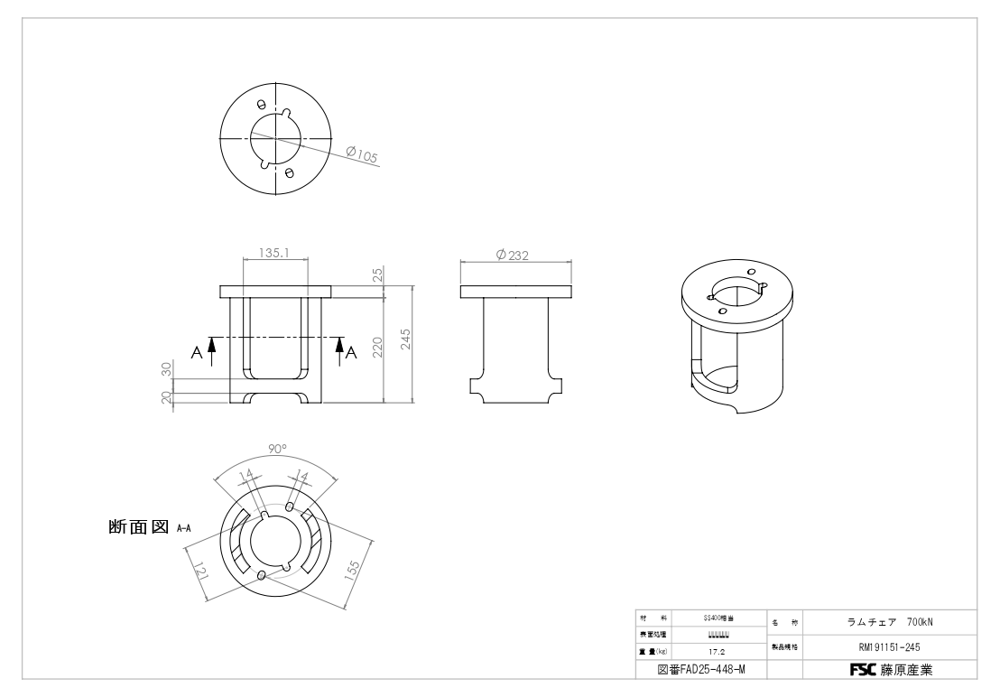
| 700 | 191 | 151 | 118 | 245 | 208 | 16 | RM191151-245 | △ | View | 図面 | |
| 700 | 216 | 176 | 150 | 185 | 160 | 14 | RM216176-185 | シム | △ | View | 図面 |
| 1000 | 203 | 163 | 110 | 287 | 265 | 22 | RM203163-287 | △ | View | 図面 | |
| 1000 | 203 | 163 | 110 | 778 | 750 | 63 | RM203163-778 | △ | View | 図面 | |
| 1000 | 203 | 163 | 110 | 505 | 490 | 32 | RM203163-505 | 六角タイプ | 〇 | View | 図面 |
| 1000 | 232 | 192 | 110 | 545 | 520 | 35 | RM232192-545 | △ | View | 図面 | |
| 1000 | 203 | 163 | 110 | 445 | 423 | 29 | RM203163-445 | 〇 | View | 図面 | |
| 1000 | 232 | 192 | 110 | 650 | 625 | 41 | RM232192-650 | △ | View | 図面 | |
| 1000 | 232 | 192 | 110 | 750 | 725 | 49 | RM232192-750 | △ | View | 図面 | |
| 1000 | 232 | 192 | 110 | 350 | 326 | 25 | RM232192-350 | △ | View | 図面 | |
| 1700 | 246 | 180 | 106 | 585 | 560 | 71 | RM246180-585 | △ | View | 図面 | |
| 1700 | 254 | 194 | 105 | 655 | 627 | 92 | RM254194-655 | △ | View | 図面 | |
| 1700 | 242 | 182 | 106 | 310 | 285 | 28 | RM242182-310 | △ | View | 図面 | |
| 1700 | 242 | 182 | 120 | 533 | 501 | 56 | RM242182-533 | △ | View | 図面 | |
| 1700 | 242 | 182 | 182 | 217 | 217 | 19 | RM242182-217 | △ | View | 図面 | |
| 2000 | 267 | 197 | 190 | 500/700 | 672 | 94 | RM267197-700 | △ | View | 図面 | |
| 2000 | 280 | 220 | 120 | 695 | 650 | 99 | RM280220-695 | △ | View | 図面 |
テンションバー
| 呼名 (外径寸法) | 有効断面積(㎟) | 全長 mm | 参考荷重 kN | カラー | Download |
|---|---|---|---|---|---|
| M14-P2.0 (φ14) | 115 | 650 | 青 | ||
| M16-P2.0 (φ16) | 157 | ||||
| M18-P2.6 (φ18) | 192 | 115.2 kN | |||
| M20-P2.5 (φ20) | 245 | 147.0 kN | |||
| M22-P2.5 (φ22) | 303 | 181.8 kN | |||
| M24-P3.0 (φ24) | 353 | 211.8 kN | |||
| M27-P3.0 (φ27) | 455 | 273.0 kN | |||
| M30-P3.5 (φ30) | 561 | 336.6 kN | |||
| M33-P3.5 (φ33) | 694 | 416.4 kN | |||
| M36-P4.0 (φ36) | 817 | 490.2 kN | |||
| M39-P4.0 (φ39) | 976 | 1000 | 585.6 kN | ||
| M42-P4.5 (φ42) | 1120 | 672.0 kN | |||
| M48-P5.0 (φ48) | 1470 | 882.0 kN | |||
| M52-P5.0 (φ52) | 1760 | 550 | 1056 kN | ||
| 1000 | 青 | ||||
| 1200 | |||||
| M56-P5.5(φ56) | 2030 | 1000 | 1218kN | 緑 | |
| FSC角ネジ82 (φ82) | - | 図面参照 | 図面 | ||
| ■■■ 自穿孔 ■■■ | - | ||||
| OSDP (φ28.5) | - | 650/1000 | シルバー | ||
| SP29(φ28.5) | - | ||||
| QS28(φ28.5) | - | ||||
| ダグシム D26 (φ28.5) | - | グレー | |||
| ABR29(φ28.5) | - | シルバー | |||
| TF26(φ31.5) | - | 緑 | |||
| SP32 (φ31.5) | - | ||||
| ABR32 (φ31.5) | - | ||||
| SP38(φ.38.0) | - | シルバー | |||
| ■■■ ゲビンデスターブ ■■■ | - | ||||
| D23 (φ25.8) | - | 650/1000 | 緑 | ||
| D26 (φ29.4) | - | ||||
| D32 ( φ36 ) | - | ||||
| D36 (φ40.3) | - | ||||
| ■■ネジテツコン ■■ | - | ||||
| D19 (φ21.5) | - | 650/1000 | SD345 | 茶 | |
| D22 (φ24.8) | - | ||||
| D25 (φ28.2) | - | ||||
| D29 (φ32.1) | - | ||||
| D32 (φ35.7) | - | ||||
| D35 (φ39.1) | - | ||||
| D38 (φ42.6) | - | ||||
| D41 (φ46.3) | - | ||||
| ■■■タフネジ ■■■ | - | ||||
| D19 (φ21.6) | - | 650/1000 | 黒 | ||
| D22 (φ25.0) | - | ||||
| D25 (φ27.8) | - | ||||
| D29 (φ32.0) | - | ||||
| D32 (φ35.1) | - | ||||
| D35 (φ38.1) | - | ||||
| D38 (φ41.9) | - | ||||
| D51 (φ56.7) | - | ||||
| ■■■ネジボン ■■■ | - | ||||
| D22 (φ26.4) | - | 650/1000 | グレー | ||
| D25 (φ30.0) | - | ||||
| D32 (φ38.4) | - | ||||
| D36 (φ43.2) | - | ||||
| ■■ネジエーコン ■■ | - | ||||
| D19 | - | 650/1000 | ピンク | ||
| D22 | - | ||||
| D25 | - | ||||
| D29 | - | ||||
| D32 | - | ||||
FSカプラバー(M20)
| メーカー | 対応ボルト |
|---|---|
| 東京鐵鋼 ネジテツコン | D19・D22・D25・D29・D32 |
| 朝日工業 ネジエーコン | D19・D22・D25・D29・D32 |
| 共栄製鋼 タフネジバー | D19・D22・D25・D29・D32・D35 |
| 一般Mネジ(鍍金ボルト対応) | M12・M14・M16・M18・M20・M22・M24・M27・M30・M33 |
| 自穿孔ボルト | スーパーダグシムD26・OSDP・R29・SP29・QS・NNS (φ28.5) |
| TF26・R32・SP32 (φ31.5) | |
| ウイットネジ | 1” |
| 住友ゲビンデ | D23 |
| HDボルト | D19・D22・D25 |
| Pボルト | D19・D22・D25 |
| 岡部 GFRPボルト パワースレッド | D25(実測φ25.1) |
| ヒロセ | ダグシム |
テンションバー関連 Q&A
A:弊社のカプラはオーバータップ加工となっておりますので、ドブメッキおよび標準ネジにも対応しております。
A:テンションバーへのグリス不足により、焼き付きが発生したものと思われます。
ディスクグラインダー等でサラエナット上部をカットし、他のFSカプラバーと取り換えてください。
カットができない場合は、ジャッキ本体ごと交換してください。
A:最大荷重は147kNとなります。
また、その他の規格における荷重につきましては、弊社ホームページのテンションバーページに記載しておりますので、ご参照ください。
プレート
| 品 番 | 穴 (φ) | 寸 法 | 厚 み | 重 量 | Mネジ | ロックボルト | ゲビンデ 自穿孔 | PC鋼線 | 用 途 |
|---|---|---|---|---|---|---|---|---|---|
| P11 | 11 | □75 | 9t | 0.5kg | M10 | ||||
| P13 | 13 | □75 | 9t | 0.5kg | M12 | ||||
| P15 | 15 | □75 | 9t | 0.5kg | M14 | ||||
| P17 | 17 | □75 | 9t | 0.5kg | M16 | ||||
| P19 | 19 | □100 | 12t | 0.5kg | M18 | ||||
| P22A | 22 | 10角 130 | 6t | M20 (120kN用) | |||||
| P22B | 22 | φ130 | 12t | 1.2kg | M20 | D19 | |||
| P24 | 24 | □75 | 12t | 0.4kg | M22 | ||||
| P27A | 27 | φ130 | 12t | 1.2kg | M24 | D22 | |||
| P27B | 27 | □160 | 22t | 4.4kg | D23 | ||||
| P29 | 29 | φ130 | 12t | 1.2kg | M27 | D25 | 28.5 | ||
| P32A | 32 | φ130 | 12t | 1.2kg | M30 | 31.5 | |||
| P32B | 32 | □160 | 22t | 4.4kg | D26 | ||||
| P35A | 35 | φ130 | 12t | 1.2kg | M33 | D29 | |||
| P35B | 35 | □160 | 16t | 3.1kg | M33 | ||||
| P38A | 38 | □160 | 19t | 3.7kg | M36 | ||||
| P38B | 38 | □160 | 30t | 5.8kg | D32 | ||||
| P38C | 38 | φ130 | 12t | 1.2kg | D32 | ||||
| P42A | 42 | □160 | 22t | 4.2kg | M39 | D35 | |||
| P42B | 42 | □160 | 30t | 5.7kg | D36 | ||||
| P45 | 45 | □160 | 22t | 4.2kg | M42 | D38 | |||
| P47 | 47 | □160 | 25t | 4.7kg | M45 | D41 | |||
| P50A | 50 | □250 | 12t | 5.7kg | 受圧板 | ||||
| P50B | 50 | □200 | 25t | 7.5kg | M48 | 5-3 | |||
| P55A | 55 | □300 | 16t | 11kg | 受圧板 | ||||
| P55B | 55 | □200 | 25t | 7.4kg | M52 | 5-4 | |||
| P55C-Z | 55 | φ500 | 56t | 20kg | 受圧板 | ||||
| P55D | 55 | φ150取付板125L | 16t | 5kg | M52 | ||||
| P55E | 55 | φ300 | 3.2t | 1.7kg | |||||
| P60 | 60 | □200 | 25t | 7.3kg | M56 | D51 | |||
| P65A | 65 | □200 | 25t | 7.2kg | M64 | 5-5 | |||
| P65B | 65 | φ500 | 48t | 9kg | 受圧板 | ||||
| P75A-Z | 75 | □400 | 19t | 23kg | |||||
| P75B-Z | 75 | □400 | 40t | 49kg | 受圧板 | ||||
| P75C | 75 | □200 | 25t | 6.9kg | 5-7 | ||||
| P85A | 85 | □250 | 16t | 7.1kg | 受圧板 | ||||
| P85B | 85 | □200 | 25t | 6.7kg | 角82 | 5-8 | |||
| P85C-Z | 85 | □400 | 32t | 39kg | 受圧板 | ||||
| P90 | 90 | □250 | 16t | 7kg | 受圧板 | ||||
| P100 | 100 | □250 | 25t | 11kg | 96ケーシング | ||||
| P105A-Z | 105 | □400 | 40t | 48kg | 受圧板 | ||||
| P105C | 105 | □250 | 25t | 11kg | 5-12 | ||||
| P105B | 105 | □250 | 36t | 16kg | 5-12 | ||||
| P120A-Z | 120 | □500 | 50t | 94kg | 受圧板 | ||||
| P120B-Z | 120 | □500 | 16t | 30kg | 受圧板 | ||||
| P122 | 122 | □250 | 25t | 9.9kg | 118ケーシング | ||||
| P130A-Z | 130 | □400 | 30t | 35kg | 受圧板 | ||||
| P130B-Z | 130 | □600 | 85t | 232kg | 受圧板 | ||||
| P130C | 130 | □250 | 25t | 9.6kg | 受圧板 | ||||
| 販売(残2枚) | 130 | □700 | 9t | 34kg | 販売 | ||||
| P150-Z | 150 | □650 | 19t | 61kg | 受圧板 |
受圧板 □1000 基本試験などに
受圧板 φ500 基本試験などに
φ500-φ55-H56(20kg) 鉛直荷重350kN
φ500-φ65-H48(12kg) 鉛直荷重30kN
角度調整台座
自在台座 最大角度25度
内径φ70タイプ (10kg)
内径φ90タイプ (11kg)
角度設定方法 例:15度
①上台のA(一番高い所)の位置を下台に書いてある角度に設定する角度(15度)に合わせます。
②下台の側面に溝が5箇所あるので、25°を左に、15°を一番上にくるように上台下台を一緒に回転させるとセット完了です。
使用方法
自在台座 最大角度20度
内径φ210タイプ
31kg(10+21)
球面台座 最大角度20度
360°どの方向にも最大度20°の範囲に自在にセットできます 。
内径φ92タイプ 10.5kg
内径φ110タイプ 25kg
スイング台座 最大角度70度
ルートパイル工法に最適です
重量:12.5kg 対応:~200kN・D38まで
スイング台座プレート
地山の場合に使用します
AC台座用アダプター
AC台座用アダプターのセット図
圧力計
アナログタイプ φ100 (レンタル標準品 kN表示付き)
| 最大圧力 | 70~100MPa |
|---|---|
| 最小目盛 | 2MPa |
アナログタイプ φ150 (MPa表示)
| 最大圧力 | 100MPa |
|---|---|
| 最小目盛 | 1MPa |
デジタルタイプ 100v (MPa表示) (付属品:ホース5m-1本)
デジタルタイプ ポータブル式 (MPa表示)
電池式で電源が要らないので、手動ポンプなどに最適です。
| 最大圧力 | 100MPa |
|---|---|
| 外径 | Φ75 |
| 最小目盛 | 0.1MPa |
| 電池 | 単4電池2本 |
★ゼロ設定の仕方 1. 電源を入れてください 2. 圧力が0であることを確認してください 3. (MENU)ボタンを押して、"TARE"を選択(LCD表示部上部の"TARE"の下で▲マークが点滅するようにする)し、
(SEL)ボタンを2秒以上長押しすると現在の表示値がゼロになり、"TARE"の下に▲マークが点灯します。
★ピークホールド(最高数値ホールド表示機能) *MENUボタン 2回押し→PEAK▲点滅→SELボタン1回押し→左上▲点灯(設定完了) ホールドリセット (ホールドされた数値を実数値に戻す) *MENUボタン1回押し→TARE▲点滅→SELボタン1回押し(解除)0.01Mpaに戻る ホールド機能解除(通常表示) *ON/OFFボタン1回長押し→再度ON/OFFボタン1回長押し(表示開始)ホールドOFF ホールド機能は電源をOFFにするとホールド機能は解除されます。 ★オートパワーオフ設定 (1分)→(5分)→ OFF(常時表示) *MENUボタン 3回押し→CONF▲点滅→ON/OFFボタン1回押し→RLE表示→ →MENUボタン1回押し→APOU表示→ON/OFFボタン1回押し→OFF表示→ →SELボタン1回押すたびに表示が1分→5分→OFF(常時表示)が切り替わります。 →ON/OFFボタン1回押し(決定)→SELボタン1回押し(完了し元の表示に戻る)
油圧カプラ アタッチメント
| 品名 | 品番 | ||
|---|---|---|---|
![]() | ブリジストン 3/8 (FSC標準カプラ) | B1 | オス BIカップラー 32JCA06C (C-6J) |
![]() | B2 | メス BIカップラー 31JCA06C-XXZ (C-6H) |
|
![]() | ブリジストン 1/2 (FSCハイスピード) | BH1 | BIカップラー 32JC08C |
![]() | BH2 | BIカップラー 31JC08C-XXW | |
![]() | 理研 3/8 使用工法(KTB)(KJS)(SFL) | R1 | S-1R |
![]() | R2 | S-1H | |
![]() | 理研ワンタッチ 3/8 | RW1 | ROC-13H |
![]() | RW2 | ROC-13S | |
| 大阪ジャッキ 3/8 | OJ1 | ||
![]() | OJ2 | ||
![]() | 大阪ジャッキ 1/2 使用工法(SEEE) | OJL1 | |
![]() | OJL2 | ||
![]() | 横浜ゴム 工法(KJS定着ジャッキ側) | KJS1 | |
| KJS2 | |||
![]() | エナパック 3/8 | EN1 | CH-604 |
![]() | EN2 | CR-400 | |
![]() | Gネジ(圧力計ネジ) | G1 G1/2オスxR3/8メス | |
![]() | G2 G1/2メスxR3/8オス | ||
![]() | 理研3/8 (バイパス付チェックバルブ) | BPT | |
カプラ品番 1:オス 2:メス
2方カプラ
| 品名 | 用途 | 品番 | |
|---|---|---|---|
![]() | No.J20 BSメスxBSメス | ||
![]() | No.J21 BSオスxBSオス | レンタルホースのジョイント用 | 2-B1xB1 |
![]() | No.J22 BSメスx理研メス | 理研ホース用 | 2-B2xR2 |
![]() | No.J23 BSオスx理研メス | 理研ホース用 | 2-B1xR2 |
![]() | No.J28 BSオスx理研オス | 理研ポンプジャッキ用 弊社のホースで理研のジャッキ・ポンプに使用する時 | 2-B1xR1 |
![]() | No.J24 BSメスx理研オス | 理研ホース用 | 2-B2xR1 |
![]() | No.J25 BSオスxG1/2オス | データロガ用 | 2-B1xG1 |
![]() | No.J26 BSメスxG1/2メス | データロガ用 | 2-B2xG |
![]() | No.J27 BSオスx横浜ゴム Y160F-06S 3/8 | KJS定着ジャッキ用 | 2-B1xKJS2 |
![]() | No.J29 BSメスx理研ワンタッチメス | 圧力変換器用プロテスター用 | 2-B2×RW2 |
![]() | No.J30 BSオスx理研ワンタッチオス | 圧力変換器用プロテスター用 | 2-B1×RW1 |
3方カプラ
| 品名 | 用途 | 品番 | |
|---|---|---|---|
![]() | No.J31 Gチーズ | データーロガ用 | 3-B1xB2xG |
![]() | No.J32 OJチーズ | エスイー工法用 SFLでは使用できません | 3-OJL1xOJL2xB1 |
![]() | No.J33 BSチーズ | BS式ジャッキから、BSカプラを取り出せます | 3-B1xB2xB1 |
![]() | No.J34 理研チーズ | 理研式ジャッキから、BSカプラを取り出せます | 3-R1xR2xB1 |
![]() | No.J35 バイパス付チェックバルブ BS | ポンプに装着し、 簡単に圧力をゆっくり下げます ![]() | 3-B1xB2xB1xBPT |
![]() | No.J36 バイパス付チェックバルブ Gメス 【圧力変換器用】 | ポンプに装着し、 簡単に圧力をゆっくり下げます | 3-B1xB2xGxBPT |
油圧カプラ関連 Q&A
A:バイパスチェック弁バルブは、減圧側ではなく必ず加圧側に取り付けてください。
なお、詳しい使用方法は付属の取扱説明書をご確認ください。
グラウンドアンカー関連部材
PC鋼より線定着金具
■プーリングヘッド
5-1 ~ 5-12
6-1 ~ 6-12
■ジャッキチェア
5-1 ~ 5-12
6-1 ~ 6-12
■メッキクサビ
12.7 Fタイプ
12.7 Sタイプ
12.7 Oタイプ被覆線用
15.2 裸線 or 被覆線
21.8 3つ割れ
除荷金具
① バランスが取れる残し鋼線(*)を引っ張り、定着クサビを浮かせてクサビを外し荷重を落とします。もう一度同じ定着クサビをセットして低い荷重(約1~2トン)で定着します。
(この作業は、最後にこの残し鋼線を引っ張る時にクサビを外れやすくするために行います)
*元々定着荷重が低い場合は、定着クサビを浮かせてそのまま戻すだけでもいいです
② 残し鋼線以外の鋼線を引っ張り、定着クサビを外してください
(アンカーヘッドは、残し鋼線に押さえつけられているため、アンカーヘッドは浮き上がりません)
③ 最後に、残し鋼線を引っ張り、定着クサビを外してください
(アンカーヘッドが浮き上がってくる場合は、ハンマー等でアンカーヘッドを下に叩き落として外して下さい。クサビが一度アンカーヘッドから外れているのと荷重が下がっているため外れやすくなっています。)
*残し鋼線の選定(基本1本から2本でよい)
なるべくアンカーヘッドのセンターからバランの良い鋼線を選んでください
例 対角の2 外側の2本 真ん中の1本でもいいが、クサビが外しにくいです
| 例 | 説明 |
|---|---|
| 12.7-6本 1m余長 | 説明書 |
ワイヤーアンカー
門型ジャッキ
門型ジャッキは、二本のアルミシリンダーを使用することで、コンパクトで軽量に作られています。
様々なワイヤーロープに使用可能です。
詳しくは専用ページにて >> 門型ジャッキ
ジョー型カプラ
- ワイヤーの引張試験に最適です
FSジョー型カプラ
- M52 500kN (在庫2セット)
グラウンドアンカー関連 Q&A
A:弊社の取り扱い商品は再緊張カプラとなります。
ただし、工法やアンカーの余長など、現場の状況確認が必要となります。
現場写真やアンカーヘッドの詳細をお知らせいただけますと、商品の選定がより円滑に進みます。
その他のアタッチメント
異型鉄筋の引抜試験 《D筋チャック》
- D筋に対するネジ切りが不要で即セットできます。
- 外しやすい形状で試験時間を短縮できます。
対応サイズ D10 . D13 . D16 . D19 . D22
上記以上も対応可能です(※取り寄せの為、納期要確認)
D筋チャック Q&A
A:最終クサビが取り外しにくい場合に使用します。
油圧ホース(両端ワンタッチカプラ付)
弊社で使用しているワンタッチカプラBI-カップラーは、電気のコンセントのように簡単に着脱できる継手です。
レンタル用のホース5mが標準です。
| ネジ部 | 長さ | ホース内径 | カプラ | 最高圧力 | 重量 |
|---|---|---|---|---|---|
| R3/8 | 5m | φ6 | BSワンタッチ-メス | 70Mpa | kg |
| R3/8 | 10m | φ6 | BSワンタッチ-メス | 70Mpa | kg |
油圧ホース関連 Q&A
A:原因は、おそらくホースに内圧がかかっているためです。(気温の変化によって起こりうる現象です)
お手数ですが、モンキー等を使用してホースとカプラを一度緩め、ホース内の圧を抜いてから再度しっかりと締め直してください。
大容量!リチウムダイナパワー LDP800A
- 騒音・排気ガス・振動 オール0(ゼロ)
- 出力 AC100V 1500W(正弦波)
- リチウムイオンバッテリー搭載で長寿命 約1,500サイクル
- ガソリン不要・安全・簡単
- 小型・軽量で持運び可能なコンパクトタイプ
| 仕様 | |
|---|---|
| 型式 | LDP800A |
| 入力定格 | AC100V 175VA |
| 充電時間 | 約7時間 |
| 電池種類 | リチウムイオン |
| 最大出力 | 1,500W(1.5kW) |
| 電池容量 | 800Wh |
| 寸法(㎜) | W302×D532×H320 |
| 質量 | 23kg |
実験結果
【使用したジャッキ】
・600KN-150L全ストローク
・電動ポンプ 100V
【結果】
70MPaで57回使用できました!

















































































































